氣動保溫球閥
詳情介紹
產品說明

概述:
該產品具有良好的保溫保冷特性,且閥門的通徑與管徑一致,同時又能有效降低管路中介質熱量損失。主要用于石油、化工、冶金、制藥、食品等各類系統中,以輸送常溫下會凝固的高粘度介質。
由于采用整體式結構,因而保溫球閥比一般球閥何種更小,重量更輕,且無外漏,密封性能良好,夾套采用碳素鋼管焊接比鑄造的更加耐壓牢固。
技術規范:
| 設計標準 | ASME B 16.34 GB/T12224 |
| 結構長度 | ASME B 16.10 GB/T12221 |
| 連接法蘭 | ASME B 16.5、JB/T 79 |
| 驅動方式 | 手動、電動、氣動 |
| 試驗和檢驗 | JB/T9092 API 598 |
| 適用介質 | 重油、膠類等易凝固介質 |
主要零件材料:
| 序號 | 零件名稱 | 材質 | ||
| C | P | R | ||
| 1 | 夾套 | 25 | SUS304 | SUS304 |
| 2 | 閥座 | WCB | SUS304 | SUS316 |
| 3 | 閥體 | 25 | SUS304 | SUS316 |
| 4 | 密封圈 | RPTFE、PTFE、對位聚苯 | ||
| 5 | 球體 | SUS304 | SUS304 | SUS316 |
| 6 | 閥桿 | 1Cr13 | SUS304 | SUS316 |
| 7 | 填料 | 柔性石墨 、RPTFE、PTFE | ||
| 8 | 填料壓蓋 | WCB | SUS304 | SUS316 |
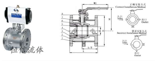
主要外形尺寸:
| 公稱通徑(DN) | d | L | D | E | Q | H | W | 管螺紋 | ||
| (mm) | (in) | (mm) | (in) | P | ||||||
| 20 | 3/4" | 19 | 117 | 40 | 1 1/2" | 58.5 | 147 | 101 | 170 | G3/4" |
| 25 | 1" | 25 | 127 | 50 | 2" | 62.5 | 156 | 106 | 170 | G3/4" |
| 40 | 1 1/2" | 38 | 165 | 65 | 2 1/2" | 63.5 | 181 | 125 | 250 | G3/4" |
| 50 | 2" | 51 | 178 | 80 | 3" | 68 | 218 | 135 | 250 | G3/4" |
| 80 | 3" | 76 | 229 | 150 | 6" | 82 | 275 | 193 | 350 | G3/4" |
| 100 | 4" | 102 | 254 | 200 | 8" | 83 | 300 | 265 | 420 | G3/4" |
| 150 | 6" | 152 | 292 | 250 | 10" | 95 | 403 | 355 | 1000 | G3/4" |
| 200 | 8" | 203 | 330 | 300 | 12" | 100 | 495 | 410 | 1300 | G3 |
訂購須知
1、請在訂貨時提供詳細口徑規格、交貨地地、交貨時間。
2、根據管道需要,決定選用往復式(二位開關式)或彈簧復位式(常閉或常開式)。
3、可選配控制附件:(1)單電控電磁閥(斷電進常閉或常開),(2)雙電控電磁閥(開關式),(3)閥位開關回訊器,(4)氣源處理三聯件。特殊使用環境(易燃易爆場合),何選防爆型。